为什么变频器的输出端不可以接接触器?
2023-07-18 天博体育在线注册,天博体育(中国)
调节器参数整定(PID参数整定)
2023-07-17 天博体育在线注册,天博体育(中国)
控制浮选过程使用的夹管阀
保护双AD不一致异常处理
变压器合闸涌流的产生及危害
2023-07-14 KWZK
开关电源的常见故障及维修技巧
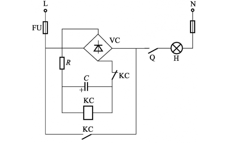
怎样用中间继电器控制的闪光信号灯电路是?
什么是汽轮机挂闸?图文来解密
2023-07-13 KWZK